APHA-370 大气污染监测用THC监测仪

分类
产品中心>大气污染气体分析仪>APHA-370 大气污染监测用THC监测仪
品牌
:HORIBA
产品型号
APHA-370
价格
:面议
产地
:日本

产品介绍

技术规格

規格

测量原理:火焰电离检测方法(FID)和选择性燃烧技术
测量项目:空气中的CH4、NMHC和THC浓度
量程:
标准量程:0-5/10/20/50ppmC;量程可自动选择或手动选择,可以远程切换
可选量程:可在0-100ppmC范围内选择4段量程(量程比在10以内);量程可自动选择或手动选择,可以远程切换
检测下限:0.050ppmC (2σ)(量程≤5ppmC)
0.5%F.S.(2σ)(量程>5ppmC)
重现性:±1.0%F.S.
线性:±2.0%F.S.
零点漂移:±0.1ppmC/天或 ±2.0%F.S./天(以二者中较大值为准)
±0.2ppmC/天或 ±4.0%F.S./天(以二者中较大值为准)
量程漂移:±2.0%F.S./天
±4.0%F.S./周
响应时间(T90):60s秒以内
样气流量:约0.9L/min
指示信息:检测值、量程、报警、维护屏幕
报警信息:在AIC期间,可显示零点校正错误、量程校准错误、零气精致器温度错误和点火错误等
语言选择:英语、德语、法语和日语
输入/输出:
·0-1V/0-10V/4-20mA(需指定)(两种检测值输出选择:(1)瞬时值和累积值;(2)动态平均值)
·接点输入/输出
·RS-232C
环境温度:5-40℃
电源:100/110/115/120/220/230/240VAC,50/60Hz(需指定)
外形尺寸:430(W)×550(D)×221(H)mm
重量:约33Kg
注意:ppmC为一符号表示,不是单位

产品相关图及其它

产品特征

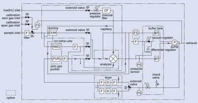
APHA-370将火焰电离检测方法和选择性燃烧技术结合起来,使得单检测器法有了极大的提高,能同时对CH4、NMHC和THC进行无零点漂移的连续监测。该仪器的完美设计确保了极高的稳定和灵敏度。

对于CH4和NMHC的检测,APHA-370具有相对灵敏度修正功能。

参比气体和助燃空气的催化单元已经成为了APHA-370的一个标准配置。

特征

APHA-370体积小巧,集中了所有必须的元部件,包括具有针对选择性燃烧的催化单元、可提供参比气体和助燃空气的催化单元和取样泵等等,唯一需要的辅助气体为H2

与局域网兼容,可分享和采集数据,可配备标准的局域网和以太网访问通信端口(可选)。

可连接CF卡存储数据,通过CF卡写入和采集数据,并可用于数据处理和远程维护,方便并能独立使用(可选)。

助力中国环境保护事业,提供整套CEMS在线监测解决方案

联系我们

北京市朝阳区驼房营南路8号新华科技大厦B座909
010-63720518、13718607080
sales@taizecn.com

关注我们

©版权所有: 泰泽宏业(北京)科技有限公司 2008-2023 All rights reserved.